RESULTS
リサイクル 乾燥・冷却
濃縮機修繕工事

取扱原料
脱水汚泥
内容
脱水汚泥の濃縮
設備仕様
機種:FDD-900型
処理能力:720kg/h (含水率90%(w.b)→40%(w.b))
所掌範囲
濃縮機 (ディスクドライヤ) 及び付帯機器の機械設計・電気設計・据付工事・配管工事

SUMMARY
プロジェクト概要・課題
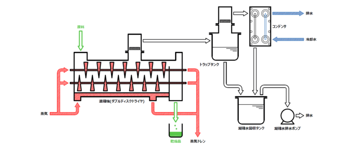
- 原料を濃縮機(ディスクドライヤ)内へ供給し、ディスク羽根を回転さることで搬送しながら濃縮を行います。
- 蒸気ボイラーより飽和蒸気を濃縮機ジャケット及びディスク羽根へ供給し、原料を加熱します。
- 排気ライン中のコンデンサにより蒸発水分を凝縮回収し、排気ファンをサイズダウンさせています。
- 特殊な羽根形状により若干流動性のある汚泥も濃縮処理しています。
機器更新対応
他社製の濃縮機が老朽化して更新が必要になり、現物を調査して置き換え可能な設計を行い、更新を完了させました。
摩耗対策
撤去した既存機は羽根外周の摩耗が著しく、繰り返し蒸気漏れの補修などが行われていた。
羽根外周に硬化肉盛りを施工しました。

OTHER CASES



